Product Summary
The PM30CSJ060 is an intelligent power module. Its applications include inverter, UPS, motion/servo control, power supplies.
Parametrics
PM30CSJ060 absolute maximum ratings: (1)power device junction temperature: -20 to 150℃; (2)storage temperature: -40 to 125℃; (3)case operaing temperature: -20 to 100℃; (4)supply voltage:20V; (5)input voltage: 20V; (6)collector-emitter voltage: 600V.
Features
PM30CSJ060 features: (1)complete output power circuit; (2)gate drive circuit; (3)protection logic.
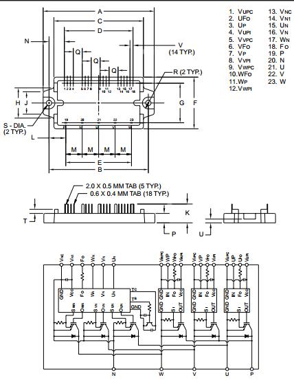
Diagrams

| Image | Part No | Mfg | Description | ![]() |
Pricing (USD) |
Quantity | ||||||
|---|---|---|---|---|---|---|---|---|---|---|---|---|
![]() |
![]() PM30CSJ060 |
![]() |
![]() MOD IPM 6PAC 600V 30A |
![]() Data Sheet |
![]() Negotiable |
|
||||||
| Image | Part No | Mfg | Description | ![]() |
Pricing (USD) |
Quantity | ||||||
![]() |
![]() PM300 |
![]() Other |
![]() |
![]() Data Sheet |
![]() Negotiable |
|
||||||
![]() |
![]() PM300CBS060 |
![]() Other |
![]() |
![]() Data Sheet |
![]() Negotiable |
|
||||||
![]() |
![]() PM300CE |
![]() Other |
![]() |
![]() Data Sheet |
![]() Negotiable |
|
||||||
![]() |
![]() PM300CL1A060 |
![]() Other |
![]() |
![]() Data Sheet |
![]() Negotiable |
|
||||||
![]() |
![]() PM300CLA060 |
![]() |
![]() MOD IPM L-SER 6PAC 600V 300A |
![]() Data Sheet |
![]()
|
|
||||||
![]() |
![]() PM300CLA120 |
![]() |
![]() MOD IPM L-SER 6PAC 1200V 300A |
![]() Data Sheet |
![]()
|
|
||||||
(Hong Kong)










