Product Summary
The CM300YE2N-12F is a three level inverter. Its applications include three level inverter topologies; (2)Solar power inverters; (3)High efficiency UPS; (4)Long motor lead applications.
Parametrics
CM300YE2N-12F absolute maximum rating: (1)Junction tempeature: -40 to 150℃; (2)Storage temperature: -40 to 125℃; (3)Collector-emitter voltage: 600V; (4)Gate-emitter voltage: ±20V; (5)Collector current: 300A; (6)Peak collector current: 600A; (7)Peak emitter current: 600A.
Features
CM300YE2N-12F features: (1)smaller output voltage steps reducing surge voltage; (2)low output ripple current; (3)lower modulation frequency with same quality output waveform.
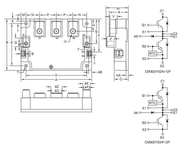
Diagrams

![]() |
![]() CM3002 |
![]() Other |
![]() |
![]() Data Sheet |
![]() Negotiable |
|
||||||
![]() |
![]() CM300DU-12F |
![]() |
![]() IGBT MOD DUAL 600V 300A F SER |
![]() Data Sheet |
![]()
|
|
||||||
![]() |
![]() CM300DU-12H |
![]() |
![]() IGBT MOD DUAL 600V 300A U SER |
![]() Data Sheet |
![]()
|
|
||||||
![]() |
![]() CM300DU-12NFH |
![]() |
![]() IGBT MOD DUAL 600V 300A NFH SER |
![]() Data Sheet |
![]()
|
|
||||||
![]() |
![]() CM300DU-24F |
![]() |
![]() IGBT MOD DUAL 1200V 300A F SER |
![]() Data Sheet |
![]()
|
|
||||||
![]() |
![]() CM300DU-24H |
![]() |
![]() IGBT MOD DUAL 1200V 300A U SER |
![]() Data Sheet |
![]()
|
|
||||||
(Hong Kong)








