Product Summary
The SKT1000-12E is a line tryristor. Its applications include dc moto control, controlled rectifiers, ac controllers, recommended snubber network.
Parametrics
SKT1000-12E absolute maximum ratings: (1)Itav: 710A; (2)ID: 360/500A; (3)IRMS: 400A; (4)Rth: 0.021k/w; (5)F: 22 to 25kN.
Features
SKT1000-12E features: (1)hermetic metal case with ceramic insulator; (2)capsule package for double sided cooling; (3)international standard case; (4)amplifying gate.
Diagrams

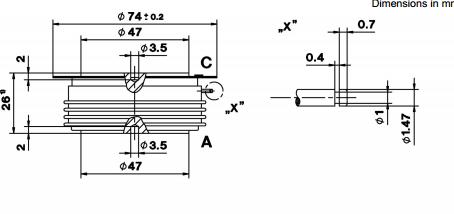
![]() |
![]() SKT10000 |
![]() |
![]() 8-PIN SOCKET |
![]() Data Sheet |
![]()
|
|
||||||||||||
![]() |
![]() SKT131AEL01 |
![]() TE Connectivity |
![]() Keylock Switches SPDT ON-ON SEAL KEYLOCK SWITCH |
![]() Data Sheet |
![]()
|
|
||||||||||||
![]() |
![]() SKT131GAEL01 |
![]() TE Connectivity |
![]() Keylock Switches SPDT ON-ON KEYLOCK SWITCH |
![]() Data Sheet |
![]()
|
|
||||||||||||
![]() |
![]() SKT132GAEL01 |
![]() TE Connectivity / Alcoswitch |
![]() Keylock Switches SWITCH KEYLOCK SPDT GOLD 2POS |
![]() Data Sheet |
![]()
|
|
||||||||||||
![]() |
![]() SKT1200/16E |
![]() Other |
![]() |
![]() Data Sheet |
![]() Negotiable |
|
||||||||||||
(Hong Kong)








