Product Summary
The FS300R12KE3-S1 is an IGBT module.
Parametrics
FS300R12KE3-S1 absolute maximum ratings: (1)collector-emitter voltage, VCES: 1200V; (2)DC-collector curretn, IC: 500A; (3)repetitive peak collector current, ICRM: 600A; (4)total poer dissipation, Ptot: 1450W; (5)gate-emitter peak voltage, VGES: ±20V.
Features
FS300R12KE3-S1 features: (1)repetitive peak reverse voltage, VRRM: 1200V; (2)DC forward current, IF: 300A; (3)repetitive peak forward current, IFRM: 600A; (4)I2t value, I2t: 19000A2s.
Diagrams

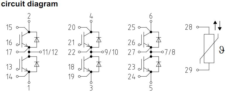
![]() |
![]() FS300R12KE3 |
![]() Infineon Technologies |
![]() IGBT Modules 1200V 300A 3-PHASE |
![]() Data Sheet |
![]()
|
|
||||||||||
![]() |
![]() FS300R12KE4 |
![]() Infineon Technologies |
![]() IGBT Modules N-CH 1.2KV 450A |
![]() Data Sheet |
![]()
|
|
||||||||||
![]() |
![]() FS300R12KF4 |
![]() Infineon Technologies |
![]() IGBT Modules 1200V 300A 6-PACK |
![]() Data Sheet |
![]()
|
|
||||||||||
![]() |
![]() FS300R16KF4 |
![]() Infineon Technologies |
![]() IGBT Modules 1600V 300A F/DIODE |
![]() Data Sheet |
![]()
|
|
||||||||||
![]() |
![]() FS300R17KE3 |
![]() Infineon Technologies |
![]() IGBT Modules 1700V 300A 3-PHASE |
![]() Data Sheet |
![]()
|
|
||||||||||
![]() |
![]() FS300R17KE4 |
![]() Infineon Technologies |
![]() IGBT Modules IGBT 1700V 300A |
![]() Data Sheet |
![]()
|
|
||||||||||
(Hong Kong)








