Product Summary
The MIG75Q7CSB1X is an intelligent power module. Its applications include high power switch, motor control.
Parametrics
MIG75Q7CSB1X absolute maximum ratings: (1)Supply voltage: 900V; (2)Collector-emitter voltage: 1200V; (3)Collector current: 75A; (4)Forward current: 75A; (5)Collector power dissipation: 830W; (6)Junction temperature: 150℃.
Features
MIG75Q7CSB1X features: (1)Integrates inverter, brake power circuits and control circuits (IGBT drive units, protection units for short-circuit current, over current, under voltage and over temperature) in one package; (2)The electrodes are isolated from case; (3)VCE (sat) = 2.2 V (typ.); (4)UL recognized File No. E87989.
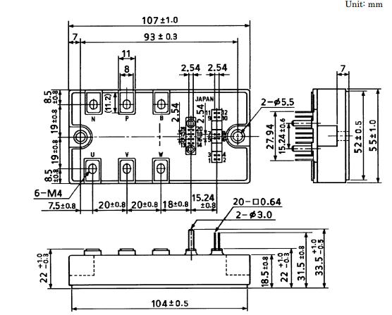
Diagrams

![]() |
![]() MIG75J101H |
![]() Other |
![]() |
![]() Data Sheet |
![]() Negotiable |
|
||||
![]() |
![]() MIG75J201H |
![]() Other |
![]() |
![]() Data Sheet |
![]() Negotiable |
|
||||
![]() |
![]() MIG75J6CSB1W |
![]() Other |
![]() |
![]() Data Sheet |
![]() Negotiable |
|
||||
![]() |
![]() MIG75J7CSA0A |
![]() Other |
![]() |
![]() Data Sheet |
![]() Negotiable |
|
||||
![]() |
![]() MIG75J7CSB1W |
![]() Other |
![]() |
![]() Data Sheet |
![]() Negotiable |
|
||||
![]() |
![]() MIG75Q201H |
![]() Other |
![]() |
![]() Data Sheet |
![]() Negotiable |
|
||||
(Hong Kong)








