Product Summary
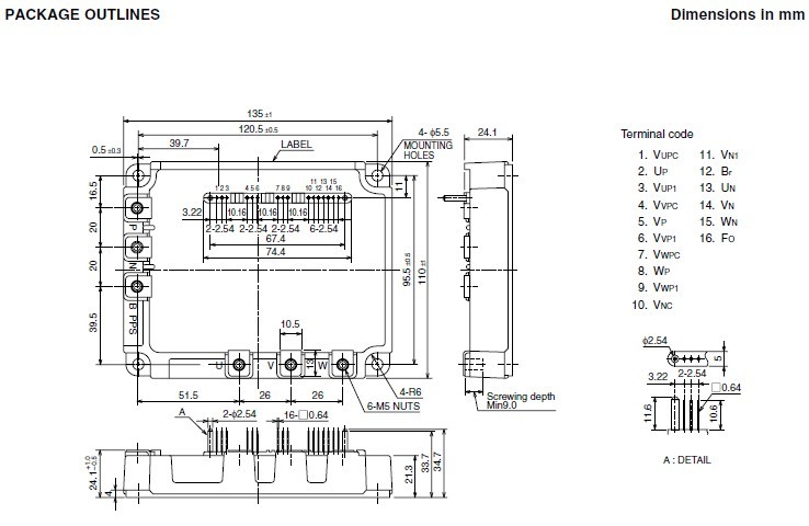
The PM150RSE120 is an intelligent power module. It adopts new 4th generation planar IGBT chip, which performance is improved by 1μm fine rule process.
Parametrics
PM150RSE120 absolute maximum ratings: (1)Collector-Emitter Voltage, VD = 15V, VCIN = 15V, VCES: 1200V; (2)Collector Current, TC = 25℃ ±IC: 150V; (3)Collector Current (Peak), TC = 25℃ ±ICP: 300A; (4)Collector Dissipation, TC = 25℃ PC: 781W; (5)Junction Temperature, Tj: -20 to +150℃.
Features
PM150RSE120 features: (1)3φ 150A, 1200V Current-sense IGBT for 15kHz switching; (2)50A, 1200V Current-sense regenerative brake IGBT; (3)Monolithic gate drive & protection logic; (4)Detection, protection & status indication circuits for overcurrent, short-circuit, over-temperature & under-voltage; (5)Acoustic noise-less 30kW class inverter application.
Diagrams

| Image | Part No | Mfg | Description | ![]() |
Pricing (USD) |
Quantity | ||||||
|---|---|---|---|---|---|---|---|---|---|---|---|---|
![]() |
![]() PM150RSE120 |
![]() Other |
![]() |
![]() Data Sheet |
![]() Negotiable |
|
||||||
| Image | Part No | Mfg | Description | ![]() |
Pricing (USD) |
Quantity | ||||||
![]() |
![]() PM150CBS060 |
![]() Other |
![]() |
![]() Data Sheet |
![]() Negotiable |
|
||||||
![]() |
![]() PM150CL1A060 |
![]() Other |
![]() |
![]() Data Sheet |
![]() Negotiable |
|
||||||
![]() |
![]() PM150CL1A120 |
![]() Other |
![]() |
![]() Data Sheet |
![]() Negotiable |
|
||||||
![]() |
![]() PM150CL1B060 |
![]() Other |
![]() |
![]() Data Sheet |
![]() Negotiable |
|
||||||
![]() |
![]() PM150CLA060 |
![]() |
![]() MOD IPM L-SER 6PAC 600V 150A |
![]() Data Sheet |
![]()
|
|
||||||
![]() |
![]() PM150CLA120 |
![]() |
![]() MOD IPM L-SER 6PAC 1200V 150A |
![]() Data Sheet |
![]()
|
|
||||||
(Hong Kong)









