Product Summary
The PM150CSD120 is a three phase IGBT inverter. Its applications include inverters, UPS, motion/servo control, power supplies.
Parametrics
PM150CSD120 absolute maximum ratings: (1)power device junction temperature: -20 to 150℃; (2)storage temperature: -40 to 125℃; (3)case operating temperature: -20 to 100℃; (4)collector-emitter voltage: 1200V; (5)collector current: 150A; (6)peak collector current: 300A; (7)collector dissipation: 781W.
Features
PM150CSD120 features: (1)complete output power circuit; (2)gate drive circuit; (3)protection logic; (4)low loss using 4th generation IGBT chip.
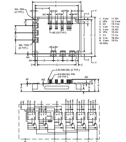
Diagrams

| Image | Part No | Mfg | Description | ![]() |
Pricing (USD) |
Quantity | ||||||
|---|---|---|---|---|---|---|---|---|---|---|---|---|
![]() |
![]() PM150CSD120 |
![]() |
![]() MOD IPM 6PAC 1200V 150A |
![]() Data Sheet |
![]()
|
|
||||||
| Image | Part No | Mfg | Description | ![]() |
Pricing (USD) |
Quantity | ||||||
![]() |
![]() PM150CBS060 |
![]() Other |
![]() |
![]() Data Sheet |
![]() Negotiable |
|
||||||
![]() |
![]() PM150CL1A060 |
![]() Other |
![]() |
![]() Data Sheet |
![]() Negotiable |
|
||||||
![]() |
![]() PM150CL1A120 |
![]() Other |
![]() |
![]() Data Sheet |
![]() Negotiable |
|
||||||
![]() |
![]() PM150CL1B060 |
![]() Other |
![]() |
![]() Data Sheet |
![]() Negotiable |
|
||||||
![]() |
![]() PM150CLA060 |
![]() |
![]() MOD IPM L-SER 6PAC 600V 150A |
![]() Data Sheet |
![]()
|
|
||||||
![]() |
![]() PM150CLA120 |
![]() |
![]() MOD IPM L-SER 6PAC 1200V 150A |
![]() Data Sheet |
![]()
|
|
||||||
(Hong Kong)









