Product Summary
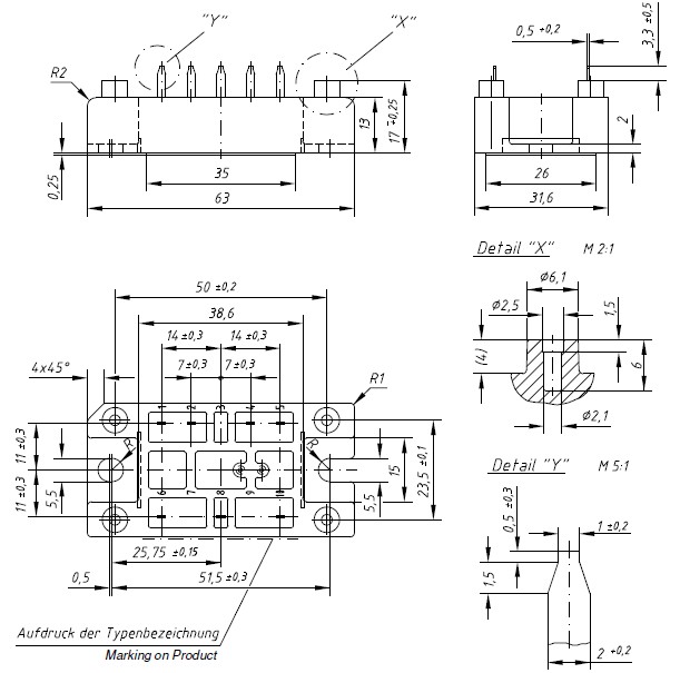
The VUO52-16NO1 is a three phase rectifier bridge. Applications of the VUO52-16NO1 are supplies for DC power equipment, input rectifiers for PWM inverter, battery DC power supplies, field supply for DC motors.
Parametrics
VUO52-16NO1 absolute maximum ratings: (1)IdAV TC = 90°C, module: 54A; (2)IdAV TA = 45°C (RthKA = 0.5 K/W), module: 43A; (3)IdAVM module: 55A; (4)IFSM TVJ = 45°C; t = 10 ms (50 Hz): 350A; (5)IFSM : VR = 0 t = 8.3 ms (60 Hz): 375A; (6)IFSM TVJ = TVJM; t = 10 ms (50 Hz): 305A; (7)IFSM VR = 0 t = 8.3 ms (60 Hz): 325A; (8)I2t TVJ = 45°C; t = 10 ms (50 Hz): 615A2S; (9)I2t VR = 0 t = 8.3 ms (60 Hz): 590A2S; (10)I2t TVJ = TVJM; t = 10 ms (50 Hz): 465A2S; (11)I2t VR = 0 t = 8.3 ms (60 Hz): 445A2S; (12)TVJ: -40: +130°C; (13)TVJM: 130°C; (14)Tstg: -40: +125°C.
Features
VUO52-16NO1 features: (1)Package with DCB ceramic base plate; (2)Isolation voltage 3000 V; (3)Planar passivated chips; (4)Blocking voltage up to 2200 V; (5)Low forward voltage drop; (6)UL registered E 72873.
Diagrams

| Image | Part No | Mfg | Description | ![]() |
Pricing (USD) |
Quantity | ||||||
|---|---|---|---|---|---|---|---|---|---|---|---|---|
![]() |
![]() VUO52-16NO1 |
![]() Ixys |
![]() Bridge Rectifiers 52 Amps 1600V |
![]() Data Sheet |
![]() Negotiable |
|
||||||
| Image | Part No | Mfg | Description | ![]() |
Pricing (USD) |
Quantity | ||||||
![]() |
![]() VUO50 |
![]() Other |
![]() |
![]() Data Sheet |
![]() Negotiable |
|
||||||
![]() |
![]() VUO50-08NO3 |
![]() Ixys |
![]() Bridge Rectifiers 50 Amps 800V |
![]() Data Sheet |
![]() Negotiable |
|
||||||
![]() |
![]() VUO5012N03 |
![]() |
![]() BRIDGE RECT 3 PHASE 1200V 58A |
![]() Data Sheet |
![]()
|
|
||||||
![]() |
![]() VUO50-12NO3 |
![]() Ixys |
![]() Bridge Rectifiers 50 Amps 1200V |
![]() Data Sheet |
![]() Negotiable |
|
||||||
![]() |
![]() VUO50-14NO3 |
![]() Ixys |
![]() Bridge Rectifiers 50 Amps 1400V |
![]() Data Sheet |
![]() Negotiable |
|
||||||
![]() |
![]() VUO50-16NO3 |
![]() Ixys |
![]() Bridge Rectifiers 50 Amps 1600V |
![]() Data Sheet |
![]() Negotiable |
|
||||||
(Hong Kong)










