Product Summary
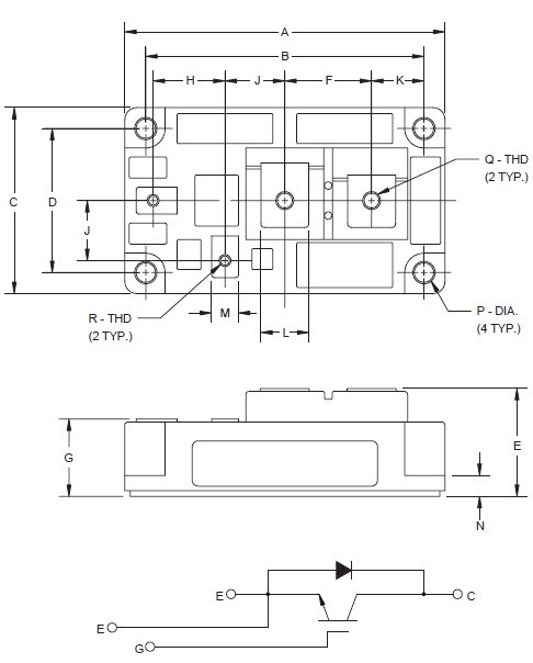
The CM400HA-24H is a high power switching IGBT module. It is designed for use in switching applications. The module consists of one IGBT in a single configuration with a reverse-connected super-fast recovery free-wheel diode. All components and interconnects are isolated from the heat sinking baseplate, offering simplified system assembly and thermal management. The applications of the CM400HA-24H include: AC Motor Control, Motion/Servo Control, UPS, Welding Power Supplies.
Parametrics
CM400HA-24H absolute maximim ratings: (1)Junction Temperature Tj: -40 to 150 ℃; (2)Storage Temperature Tstg: -40 to 125 ℃; (3)Collector-Emitter Voltage (G-E SHORT) VCES: 1200 Volts; (4)Gate-Emitter Voltage (C-E SHORT) VGES: ±20 Volts; (5)Collector Current (Tc = 25℃) IC: 400 Amperes; (6)Peak Collector Current (Tj ≤ 150℃) ICM: 800* Amperes; (7)Emitter Current** (Tc = 25℃) IE: 400 Amperes; (8)Peak Emitter Current** IEM: 800* Amperes; (9)Maximum Collector Dissipation (Tc = 25℃) Pc: 2800 Watts.
Features
CM400HA-24H features: (1)Low Drive Power; (2)Low VCE(sat); (3)Discrete Super-Fast Recovery Free-Wheel Diode; (4)High Frequency Operation; (5)Isolated Baseplate for Easy Heat Sinking.
Diagrams

| Image | Part No | Mfg | Description | ![]() |
Pricing (USD) |
Quantity | ||||||||||||||||
|---|---|---|---|---|---|---|---|---|---|---|---|---|---|---|---|---|---|---|---|---|---|---|
![]() |
![]() CM400HA-24H |
![]() |
![]() IGBT MOD SGL 1200V 400A H SER |
![]() Data Sheet |
![]() Negotiable |
|
||||||||||||||||
| Image | Part No | Mfg | Description | ![]() |
Pricing (USD) |
Quantity | ||||||||||||||||
![]() |
![]() CM400DU-12F |
![]() |
![]() IGBT MOD DUAL 600V 400A F SER |
![]() Data Sheet |
![]()
|
|
||||||||||||||||
![]() |
![]() CM400DU-12H |
![]() |
![]() IGBT MOD DUAL 600V 400A U SER |
![]() Data Sheet |
![]()
|
|
||||||||||||||||
![]() |
![]() CM400DU-12NFH |
![]() |
![]() IGBT MOD DUAL 600V 400A NFH SER |
![]() Data Sheet |
![]()
|
|
||||||||||||||||
![]() |
![]() CM400DU-24F |
![]() |
![]() IGBT MOD DUAL 1200V 400A F SER |
![]() Data Sheet |
![]()
|
|
||||||||||||||||
![]() |
![]() CM400DU-24H |
![]() |
![]() IGBT MOD DUAL 1200V 400A U SER |
![]() Data Sheet |
![]()
|
|
||||||||||||||||
![]() |
![]() CM400DU-24NFH |
![]() |
![]() IGBT MOD DUAL 1200V 400A NFH SER |
![]() Data Sheet |
![]()
|
|
||||||||||||||||
(Hong Kong)









