Product Summary
The CM400HA-34H is an IGBT module. Its applications include AC motor control, auxilliary inverter for traction, UPS, welding power supplies.
Parametrics
CM400HA-34H absolute maximum ratings: (1)Junction temperature: -40 to 125℃; (2)Storage temperature: -40 to 125℃; (3)Collector-emitter voltage: 1700V; (4)Collector current: 400A; (5)Emitter current: 400A; (6)Maximum collector dissipation: 4100W.
Features
CM400HA-34H features: (1)Low drive power; (2)Low VCE; (3)Discrete super-fast recovery free-wheel diode; (4)High frequency operation; (5)Isolated baseplate for easy heat sinking.
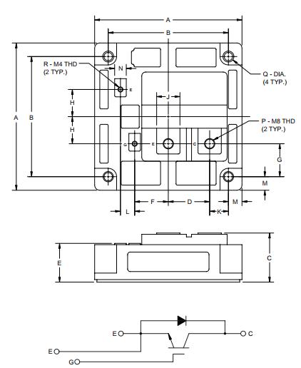
Diagrams

| Image | Part No | Mfg | Description |  | Pricing (USD) | Quantity | ||||||||||||||||
|---|---|---|---|---|---|---|---|---|---|---|---|---|---|---|---|---|---|---|---|---|---|---|
|  |  CM400HA-34H |  |  IGBT MOD SGL 1700V 400A H SER |  Data Sheet |  Negotiable |  | ||||||||||||||||
| Image | Part No | Mfg | Description |  | Pricing (USD) | Quantity | ||||||||||||||||
|  |  CM400DU-12F |  |  IGBT MOD DUAL 600V 400A F SER |  Data Sheet |  
 |  | ||||||||||||||||
|  |  CM400DU-12H |  |  IGBT MOD DUAL 600V 400A U SER |  Data Sheet |  
 |  | ||||||||||||||||
|  |  CM400DU-12NFH |  |  IGBT MOD DUAL 600V 400A NFH SER |  Data Sheet |  
 |  | ||||||||||||||||
|  |  CM400DU-24F |  |  IGBT MOD DUAL 1200V 400A F SER |  Data Sheet |  
 |  | ||||||||||||||||
|  |  CM400DU-24H |  |  IGBT MOD DUAL 1200V 400A U SER |  Data Sheet |  
 |  | ||||||||||||||||
|  |  CM400DU-24NFH |  |  IGBT MOD DUAL 1200V 400A NFH SER |  Data Sheet |  
 |  | ||||||||||||||||
 (Hong Kong)
 (Hong Kong) 
                         
                        
 
                                    




