Product Summary
The BSM35GP120 is an IGBT module from eupec GmbH(Infineon).
Parametrics
BSM35GP120 absolute maximum ratings: (1)repetitive peak reverse voltage, VRRM: 1600V; (2)RMS forward current per chip, IFRMSM: 40A; (3)DC forward current, TC = 80℃, Id: 35A; (4)surge forward current, tP = 10 ms, Tvj = 150℃: 260A; (5)I2t - value, tP = 10 ms, Tvj = 150℃: 340 A2s.
Features
BSM35GP120 features: (1)internal insulation: Al2O3; (2)comperative tracking index: 225; (3)mounting torque: ±10%.
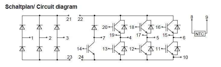
Diagrams

| Image | Part No | Mfg | Description | ![]() |
Pricing (USD) |
Quantity | ||||||||
|---|---|---|---|---|---|---|---|---|---|---|---|---|---|---|
![]() |
![]() BSM35GP120 |
![]() Infineon Technologies |
![]() IGBT Modules 1200V 35A PIM |
![]() Data Sheet |
![]()
|
|
||||||||
![]() |
![]() BSM35GP120G |
![]() Infineon Technologies |
![]() IGBT Modules 1200V 35A PIM |
![]() Data Sheet |
![]()
|
|
||||||||
(Hong Kong)









